1 引言
传统的脉冲激光电源虽然实现了非线性化,取代了老式的线性倍压整流技术,使得整体的转换效率、体积、重量及充放电时间等重要参数均有了较大的改善。另外, 非线性激光电源可靠性的不断提高和产品化,使得激光技术的应用又上了一个新的台阶。但是这种非线性激光电源仍然存在着工作频率一直是在20kHz以下,不 能进一步提高的缺点,这样,就导致了传统的非线性激光电源的转换效率、体积、重量以及充放电时间等不能改善到理想的状况。同时存在着令人十分烦噪的声频噪 声。为了解决这些问题,我们设计和研制成功了一种工作频率在100kHz的非线性脉冲激光电源。
2 电路的组成
脉冲激光电源的原理方框图如图1所示。它由触发电路、主变换器电路和高压充放电电路等三大部分组成。其电路原理图如图2所示。

图1 脉 冲 激 光 电 源 的 原 理 方 框 图

图2 脉 冲 激 光 电 源 电 路 原 理 图
3 电路的工作原理
3.1 触发电路的工作原理
从图2可以看出,触发电路部分主要是由触发指示电路和触发电路组成,具体由IC1的LBI和LBO端,V1、LED、VD1以及K1和K2来完成,当变换 器通过变压器T1、二极管VD2和VD3向电容器充电时,取样电路(由R10、R9、W1、W2、W3、R1组成)将其充电电压值反馈给IC1的LBI与 VFB端,一旦电压充到所需的电压值时(大约为1kV左右),这时LBI端的电压值将大于1.3V,LBO端就会变为高电平,V1导通,LED变亮,指示 出电压已充到可以触发的状态。另外取样电路将反馈信号还送入IC1的VFB端,若反馈信号的电压值≥1.3V时,即刻关断变换器,使高压维持到所需的值 上,触发器件由高耐压、大电流的汽车级的晶闸管BT151/800R来担任。
3.2 主变换器的工作原理
主变换器电路主要是由IC1(MAX641/642/643)、变压器T1以及V2等元器件组成的单端反激式升压电路。其电路的核心部分为MAX641 /642/643,所以这部分电路的工作原理分析以及MAX641/642/643的技术参数及其应用请查阅文献[1]。这里只给出高频自耦升压变压器的 技术资料,以供同行们在制作时参考。铁芯选用4kBEE型铁氧体,骨架选用与铁芯对应配套的EE19型立式骨架,其技术参数如图3所示。

图3 T1变 压 器 的 技 术 参 数
3.3 充放电电路的工作原理
充放电电路主要是由电容C7∥C10、C8∥C11、C9∥C12、C13、R14、升压变压器T2等组成。当电容C7∥C10、C8∥C11、 C9∥C12被充到所设定的高压值时,电容C13中的电压也同时被充到所要求的电压值(300V左右),这时闭合K1或K2,晶闸管V3被触发导通,电容 C13中所储存的能量通过变压器T2的初级绕组放电,使次级绕组感应出约10kV左右的高压,将激光器中的气体电离。在电离的同时,电容器C7∥C10、 C8∥C11、C9∥C12中所储存的能量将这个电离的过程维持到一定的时间,从而就得了所需的激光脉冲。
4 重要元器件的选择及技术要求
1)储能电容由于储能电容C7∥C10、C8∥C11、C9∥C12要在很短的时间内为激光器提供足够大的能量,所以在选择该电容时,除了要求其具有足够 高的耐压值(≥350V)以外,还必须要求其具有快速充电和放电的特性,即应选择印有“PHOTOFLASH”的光闪电容。
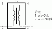
2)升压变压器升压变压器除了其初级绕组供电容C13放电,以使次级电压升高到10kV以上外,还要满足当气体被电离以后,通过次级绕组将电容 C7∥C10、C8∥C11、C9∥C12中的能量全部释放给激光器,以便能够激发出很强的激光束来。所以次级绕组既要匝数多,又要电阻很小,同时还要满 足耐高压的要求。变压器磁芯选择环形3kB的铁氧体材料,初级绕组选用1.0的聚四氟乙烯镀银高压线绕制,次级绕组选用0.32的聚四氟乙烯镀银高压 线绕制,铁芯磁环选用外径35,内径12,厚度10的软磁铁氧体。其技术参数如图4所示。

图4 T2升 压 变 压 器 的 技 术 参 数
3)MAX641/642/643选择时几点说明
(1)MAX641输出的PWM信号驱动V2所输出的方波幅度为5V;
(2)MAX642输出的PWM信号驱动V2所输出的方波幅度为12V;
(3)MAX643输出的PWM信号驱动V2所输出的方波幅度为15V。
转载请注明出处。





相关文章
热门资讯
精彩导读

































关注我们




