ID100系列可调光阑

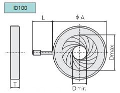
产品类型:ID100系列可调光阑 主要特征: ●光阑孔径在1.2~28mm之间连续可调,孔径圆滑,外形小巧; ●可单独使用,也可与IDF系列光阑座和SP系列接杆联合使用。 技术指标: 型号 A D MAX. D MIN. T L ID101 20 12 1.2 5 11 ID102 51 28 2 13 13
产品描述:

转载请注明出处。








相关文章
热门资讯
精彩导读



















关注我们




