BP103型、BP104型、BP105型

产品类型:BP103型、BP104型、BP105型
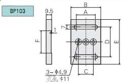
型号 A B C D E 自重(kg) 32 50 25 50 75 0.1 83 100 75 75 100 0.2 BP105 133 150 125 125 150 0.5
产品描述:
BP103
BP104

转载请注明出处。








相关文章
热门资讯
精彩导读



















关注我们




