UC100系列万向杆架

产品类型:UC100系列万向杆架
产品描述:
主要特征:
●可将两根接杆按所需角度组合;
●两接杆可360°内任意转动,并随时锁定。
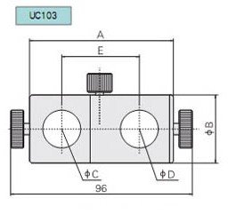
技术参数:(C,D为能联接的标准SP接杆直径)
型号 |
A |
B |
C |
D |
E |
自重(kg) |
UC101 |
60 |
30 |
Φ12 |
Φ12 |
33 |
0.15 |
UC102 |
77 |
36 |
Φ20 |
Φ12 |
44 |
0.2 |
UC103 |
77 |
36 |
Φ20 |
Φ20 |
41 |
0.2 |

转载请注明出处。





相关文章
热门资讯
精彩导读

































关注我们




