-
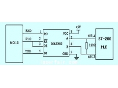
S7-200与MCS51单片机的通讯简介
1 引言 PLC 因为稳定可靠、结构紧凑、简单易学、功能强大和使用方便已经成为应用面最广、最广泛的通用 工业控制 装置,成为现代工业 自动化 控制的主要支柱之一。而单片机因为成本低廉,...
2012-07-20 -
PAC运动控制系统方案设计
多电机 伺服 控制广泛应用于各种电力传动自动 控制系统 中,如配料、传动等生产过程。 伺服系统 中电机控制性能和多电机间协调控制的好坏直接影响生产过程的质量,如何高效管理、方便...
2012-07-16 -
基于PLC的专家控制系统开发工具
1 引言 近半个世纪以来,经典控制理论和现代控制理论、方法和技术(简称传统控制),取得了令人瞩目的成就。但是,无论是现代控制理论还是大系统理论,其分析、综合和设计都是建立在...
2012-07-16 -
数字量设备控制模块的设计分析(二)
2.2 数字量设备的操作菜单 上面,我们根据开关量设备的信号特点,把所有开关量设备归纳成八种类型。可以看出这些开关量设备的输入、输出信号较简单,但是根据啤酒生产的操作要求,开关...
2012-07-12 -
数字量设备控制模块的设计分析(一)
1 引言 一般来说,可以把控制系统划分为三类:过程调节系统、运动控制系统和生产控制系统。第一种侧重于回路的调节控制,往往涉及较复杂的控制算法,主要应用于炼油等化工行业;第二种...
2012-07-12 -
ACS运动控制器在高精密激光切割机上的解决方案
系统介绍: 激光切割是应用激光聚焦后产生的高功率密度能量来实现的。与传统的板材加工方法相比,激光切割其具有高的切割质量、高的切割速度、广泛的材料适应性等优点。激光切割技术广...
2012-07-10 -
基于Linux系统的软PLC设计(二)
对于每个具体的设计来说,需要对配置文件中的几个部分进行配置。 (3) 人机界面模块(HMI),用户和软PLC 之间的互动模块。通过友好的人机界面,用户可以控制软PLC 的调用和开关,同时可以...
2012-07-10 -
基于Linux系统的软PLC设计(一)
引言 可编程 控制器 ( PLC ,Programmable Log ic Controller)经过几十年的发展,现在已经成为了最重要、最可靠、应用场合最广泛的 工业控制 微型 计算机 。然而,人们在使用过程中也逐渐发现了...
2012-07-10
排行榜
华体会联盟hth
关注我们





















