-
开关磁阻电动机的性能及典型应用(二)
3.2 洗衣机 随着经济的发展和人们生活质量的不断提高,环保、智能型洗衣机的需求量也越来越大,电机作为洗衣机的主动力,其性能必须不断完善。目前国内市场上流行的洗衣机主要有两种:...
2012-02-23 -
开关磁阻电动机的性能及典型应用(一)
1 引言 开关 磁阻电动机 驱动 系统(srd)由开关磁阻电机(srm或sr电机)、 功率 变换器、 控制器 和检测器四个部分组成,是20世纪80年代初随着 电力电子 、 计算机 和控制技术的迅猛发展而发...
2012-02-23 -
采用CNC误差补偿提高加工的精度
铣镗 加工中心 的加工精度可以通过空间校正和3D补偿而提高四倍,控制系统对整体设备的3D测量数据进行处理并纠正外形误差。 没有任何机床设备是完美的,因为所有的轴会以不同的方式存在...
2012-02-18 -
运动控制系统常用的图形图像文件格式简述(二)
三、 PLT文件 PLT文件源自于HP绘图仪,在AutoCAD/R14版及CorlDraw软件中可以见到(需要导出),其实基于此类设备的还有EPS的一种矢量格式,即EPS文件,在此不多描述。PLT的操作指令非常丰富,不过...
2012-02-18 -
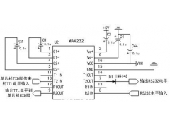
基于单片机的新型步进电机运动控制器(二)
3.2 RS-232通信接口电路设计 在单片机系统的通信中,RS-232和RS-485标准总线应用最为成熟。为了使运动控制器的适用范围更加广泛,配合PC的现有接口,我们选用RS- 232标准总线来实现控制器和PC的...
2012-02-18 -
用于工业运动控制的ASSP技术(二)
微步进 工业工程师应该熟知微步进电机概念,一般大多数集成控制器都为设计师提供了分辨率选择:对于AMIS-3062x系列,就有1/2、1/4、1/8和1/16步进操作可用。微步进以更低的频率产生更平稳的...
2012-02-18 -
用于工业运动控制的ASSP技术(一)
对于很多工业应用,从简单的X-Y工作台到复杂的机器人技术以及安全实施,高效的运动控制都非常关键。多年以来,这些功能中设计驱动和控制电路的方式基本未变。硬件架构一般包括一个标...
2012-02-18 -
ASSP加强汽车HVAC的运动控制
高度集成的特定应用标准产品(ASSP)作为包含分离器件电控单元(ECU)的有益替代产品而出现,为汽车加热、通风及空调系统(HVAC)的应用提供风门位置控制。除改进可靠性外,还节省了空间...
2012-02-18
排行榜
华体会联盟hth
关注我们











